Gambar Skema Power 800 Watt Mono Update Terbaru Unduh Gratis - Halo, selamat datang di blogg seputar Diagram, Wiring dan Skema. Lajunya perkembangan internet, kini untuk mendapatkan referensi seputar gambar diagram atau skema sangatlah mudah. Kamu tinggal duduk dirumah dan buka Laptop atau Gadget kamu, semua informasi diagram atau skema bisa kamu dapatkan tak terkecuali informasi mengenai Skema Power 800 Watt Mono.
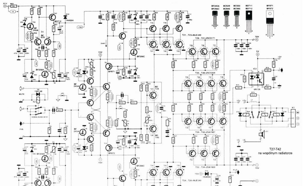
Kit power amplifier rakitan yang mantap. Skema di atas adalah mono, bila pembaca ingin membuat stereo, buat dua rangkaian yang sama.
Saya disini coba membantu kamu untuk menampilkan diagram ataupun gambar skema mengenai Skema Power 800 Watt Mono bagi kalian yang sedang mencari informasi terkait Skema Power 800 Watt Mono yang bisa kalian jadikan acuan.
Gambar Terkait Dengan Skema Power 800 Watt Mono
Dibawah ini ialah diagram ataupun gambar skema yang terkait dengan Skema Power 800 Watt Mono. Silahkan anda lihat dan gambar berikut bisa kamu download bagi kebutuhan kalian.
See circuit diagram and parts to make it. Skema di atas adalah mono, bila pembaca ingin membuat stereo, buat dua rangkaian yang sama. Untuk melengkapi dan menambah koleksi skema di blog ini saya buatkan katagori atau label tersendiri di bagian SKEMA RANGKAIAN.





