Gambar Skema Power 500 Watt Terupdate & Terkini Unduh Gratis - Halo, selamat datang di blogg seputar Diagram, Skema dan Wiring. Internet telah berkembang sangat pesat, kini untuk mencari referensi perihal gambar diagram dan skema sangatlah mudah. Kamu tinggal buka Laptop atau Gadget kamu dan duduk dirumah, semua informasi skema atau diagram bisa kamu temukan tak terkecuali informasi mengenai Skema Power 500 Watt.
Mengacu pada rangkaian dasar power amplifier class gb dimana dari dua rangkaian tersebut. Ingin tau merakit skema power amplifier terbaik itu seperti apa? dan apa saja si jenis skema power amplifer yang paling bagus? yuk cek.
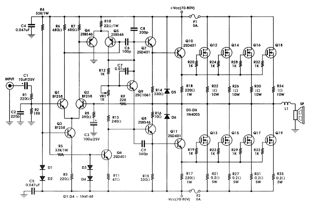
Kami disini mencoba bantu kamu untuk menampilkan diagram maupun gambar skema terkait Skema Power 500 Watt untuk kalian yang sedang cari informasi mengenai Skema Power 500 Watt yang bisa kalian jadikan referensi.
Gambar Berkaitan Dengan Skema Power 500 Watt
Dibawah ini ialah gambar skema maupun diagram yang berkaitan dengan Skema Power 500 Watt. Silahkan kalian lihat dan gambar tersebut dapat kamu download bagi kebutuhan kalian.
Lihat ide lainnya tentang rangkaian elektronik, elektronik, teknologi. Pcb driver power amplifier lihat lainnya. Pada awal pendesainan pcb, tiga transistor ini dipasang di bawah pcb atau dibaut di main heatsink dan rangkaian diset mendekati kelas A.




